Breadboard
Što je eksperimentalna pločica (breadboard)?
Što je breadboard?
Breadboard (eksperimentalna pločica) je mala plastična pločica s rupicama u koje možeš ubadati razne elektroničke komponente (otpornike, LED, tranzistore, žice…) bez lemljenja.
Ispod rupa se nalaze metalne trake koje povezuju određene redove i stupce, tako da se komponente međusobno spajaju čim ih utakneš.
Obično sa strane ima i dulje trake za napajanje (+ i –), a u sredini mrežu za spajanje elemenata.
Postoje različite veličine breadboarda, koje odabiremo ovisno o složenosti projekta kojeg pravimo.
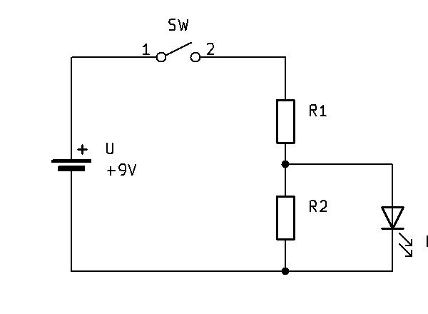
Primjer
Kao primjer korištenja breadboarda, odvdje je prikazano jednostavno djelilo napona sa LED diodom.
Objašnjenje:
Djelilo napona je način da iz većeg napona dobiješ manji, i koristi se stalno u elektronici kad nekom dijelu sklopa treba baš određeni manji napon.
Najčešće se napravi pomoću dva otpornika spojena jedan iza drugog. Struja teče kroz oba otpornika, i na spoju između njih dobiješ manji napon – "dio" od ukupnog. Zbroj svih tih manjih napona je uvijek jednak naponu napajanja strujnog kruga.
U = U1 + U2
Najčešće se napravi pomoću dva otpornika spojena jedan iza drugog. Struja teče kroz oba otpornika, i na spoju između njih dobiješ manji napon – "dio" od ukupnog. Zbroj svih tih manjih napona je uvijek jednak naponu napajanja strujnog kruga.
U = U1 + U2
Kako ćemo spojiti?
- U kolonu 10 (nasumično odabrano) stavi jedan kraj otpornika, a drugi u kolonu 13.
- Drugi otpornik započni sa kolonom 13, tako da bude spojen sa prvim, a drugi kraj u kolonu 16.
- LED diodu postavi sa anodom u koloni 19, a katodom u koloni 20.
- Žicom spoji anodu LED diode sa spojem otpornika (kolona 13).
- Žicom spoji kolonu 13 (prvi otpornik) na izvor napajanja (+)
- Kolone 16 (drugi otpornik) i 20 (katoda LED diode) spoji žicama na GND red (–).
Sivim linijama su prikazani spojevi koji povezuju rupice na breadboardu, kako bi vidjeli da naš spoj ima sve potrebne spojeve za gornju shemu.