o.O wtFAQ – We Tinker, Fix and Question
◀ 1.4. Poluvodičke diode2. Senzori, ulazi i izlazi ▶

1.5. Tranzistori i releji

Što ako trebamo koristiti veću struju od one koju Arduino može dati?

Komponente koje zahtijevaju veću struju od one koju Arduino pinovi mogu sigurno dati (maksimalno oko 40 mA po pinu) pokreću se pomoću vanjskih “pojačivača” – elektroničkih sklopki kao što su tranzistori, MOSFET-ovi ili releji. Oni omogućuju da malom strujom s Arduina upravljamo puno većom strujom iz zasebnog napajanja.​

Najčešći načini pogona:

  • Tranzistor (npr. NPN tip 2N2222 ili MOSFET)
    Tranzistor se koristi kao elektronska sklopka: Arduino pin daje mali signal (do 40 mA), a preko tranzistora se uključuje veći potrošač (motor, LED traka, relej) na drugom izvoru struje.​

  • Relej modul
    Električni relej je elektromehanički prekidač – Arduino kratkim impulsom aktivira zavojnicu, a relej prebacuje kontaktnu struju za uređaje poput žarulja ili radio uređaja (može uključivati struje od nekoliko ampera).​

  • Posebni driver moduli (npr. L298N za motore)
    Ovi moduli su dizajnirani za pogon motora ili LED traka uz odvajanje niskonaponskog dijela (Arduino) od “snage”.​

Primjeri:

  • Pokretanje DC motora: Arduino upravlja tranzistorom, a motor se napaja s 9V baterije; na tranzistoru se nalazi zaštitna dioda.​
  • Upravljanje LED trakama: Korištenje MOSFET-a za kontrolu svjetline i napajanja LED trake s 12V.​
  • Paljenje žarulje ili pumpe: Arduino aktivira relej modul (5V); relej prebacuje napon od 220V/AC do trošila.​
  • Koračni ili servo motor: Arduino šalje komandne impulse na poseban “driver” modul koji pogoni motor s više struje.​
    Kombinacija tranzistora, releja ili modula prema potrebi omogućuje jednostavno i sigurno upravljanje komponentama snažnijih karakteristika od onih koje Arduino pinovi direktno podržavaju.​

Tranzistori

tranzistor
Tranzistor je poluvodička elektronička komponenta s tri priključka:

  • baza (B),
  • emiter (E) i
  • kolektor (C),

koja može snažno pojačavati slab električni signal ili služiti kao vrlo brza sklopka. Već mali protok struje kroz bazu omogućava regulaciju puno veće struje kroz kolektor i emiter, pa se tranzistor često opisuje kao “strujni ventil”.​

Upotrebe tranzistora u elektronici

Tranzistori su ključni za mnoge elektroničke sklopove i uređaje:​

  • Pojačalo: Audio i radio pojačala, zvučnici, mikrofon, radioprijemnici.
  • Elektronička sklopka: Upravlja žaruljama, LED-icama, motorima, kao zamjena za mehaničke prekidače.
  • Logički sklopovi: Osnovni gradivni blok računala i digitalnih uređaja.
  • Generator signala i oscilator: Stvaranje i oblikovanje različitih valnih oblika.
  • Stabilizator napona, regulacija struje ili napajanje.

Zahvaljujući tim funkcijama, tranzistori se nalaze u svakoj elektroničkoj napravi – od igračaka do računala i medicinske opreme.​

Struja kroz bazu tranzistora (IB) kontrolira puno veću struju kroz kolektor i emiter (IC). Kod tipičnog bipolarnog tranzistora, mala promjena struje baze izaziva proporcionalno veliku promjenu struje kolektora, pa se tranzistor može koristiti kao učinkovito pojačalo ili sklopka.​

Matematički, odnos struja je:

\[ I_C = h_{FE} \times I_B \]

gdje je IC – struja kroz kolektor, IB – struja baze, a hFE (β) – koeficijent strujnog pojačanja u spoju sa zajedničkim emiterom.​

hFE koeficijent

hFE predstavlja omjer (faktor pojačanja) između upravljačke struje baze i izlazne struje kolektora:

\[ h_{FE} = \frac{I_C }{I_B} \]

Tipične vrijednosti hFE se kreću od 20 do 200 ili više – primjerice, ako je hFE tranzistora 100, svaki 1 mA ulazne struje baze omogućuje do 100 mA struje kroz kolektor.​

Primjena hFE

Omogućuje precizno dimenzioniranje otpornika na bazi tranzistora (da bi se kolektorom upravljala željena struja).

U dizajniranju elektroničkih krugova, odabir tranzistora s dovoljno visokim hFE osigurava da mali signal iz Arduina ili senzora može upravljati znatno većim potrošačima – motorima, žaruljama, relejima.

U praksi: ako želimo s Arduinom uključiti LED traku od 500 mA, a tranzistor ima hFE = 100, Arduino mora osigurati najmanje 5 mA kroz svoju bazu preko otpornika – ostalih 495 mA “pojačava” tranzistor kroz kolektor-emiter.​

Relej?

Relej je elektromehanički prekidač koji omogućuje upravljanje većim opterećenjima (većom strujom ili naponom) pomoću male kontrolne struje – npr. iz Arduina, mikrokontrolera ili senzora. Sastoji se od zavojnice (elektromagneta), pokretne armature i sklopke (kontakata). Kada kroz zavojnicu poteče struja, ona stvara magnetsko polje koje povlači armaturu i zatvara ili otvara kontakt, čime se uključuje ili isključuje povezani krug.​

Najvažnije upotrebe:

  • Daljinsko ili automatsko uključivanje i isključivanje uređaja veće snage (motori, žarulje, pumpe)
  • Prebacivanje između različitih izvora napajanja
  • Zaštita i izolacija između niskonaponskih i visokonaponskih krugova​

Na što treba paziti kod projektiranja s relejima:

  • Pravilno dimenzionirati zavojnicu prema naponu upravljanja (npr. 5V, 12V)
  • Koristiti zaštitnu “flyback” diodu paralelno uz zavojnicu, kako bi se spriječilo oštećenje tranzistora ili mikrokontrolera prolaznim prenaponom pri isključivanju releja
  • Provjeriti maksimalne vrijednosti struje i napona koje relej može prebacivati – preopterećenje može dovesti do ljepljenja kontakata i kvara​
  • Paziti na polaritet kod polariziranih releja (primjenjivo kod DC releja)
  • Planirati fizičko razmještanje zbog topline, vibracija, ali i elektromagnetskih smetnji koje releji mogu generirati u radu​
Flyback dioda:
Flyback dioda štiti elektronički sklop od visokih naponskih impulsa ("prenapona") koji nastaju kada se struja kroz induktivno opterećenje, poput releja, elektromagneta ili motora, naglo prekine. Induktivni element (zavojnica releja) ima svojstvo da "protiv" nagle promjene struje generira elektromotornu silu (EMF), koja može stvoriti momentalno vrlo visoki napon – i do nekoliko stotina volti.

Relej je pouzdan alat za povezivanje “slabog” i “jakog” dijela elektronike, no uspješno projektiranje zahtijeva poznavanje tehničkih karakteristika i pravilnu zaštitu sklopa.​

Jednostavna vježba sa Arduinom, tranzistorom i relejem

vježba 1.5.1

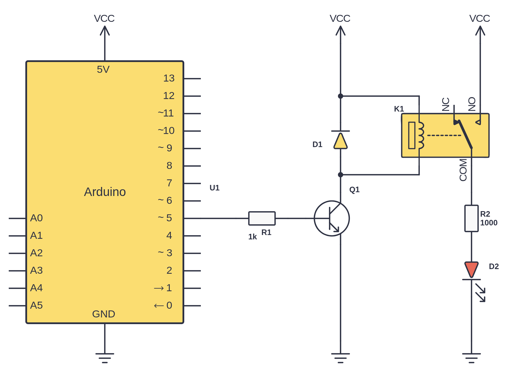
Kada Arduino pin “pošalje” logičku jedinicu (HIGH) na bazu tranzistora, tranzistor se otvara i LED svijetli; kada je logička nula (LOW), LED je ugašena. Ovim postupkom, LED se uključuje i isključuje preko tranzistora – idealno kad želimo upravljati komponentama koje troše više struje nego što Arduino može sam dati na izlazu.​

Ova vježba potpuno prikazuje tranzistor kao elektroničku sklopku, što je temelj za upravljanje motorima, trakama, žaruljama, sirenama i mnogim drugim elektroničkim komponentama izvan mogućnosti direktnog izlaza Arduina.​

vježba 1.5.1

 

// C++
void setup()
{
  pinMode(5, OUTPUT);
}

void loop()
{
  digitalWrite(5, HIGH);
  delay(2500);
  digitalWrite(5, LOW);
  delay(2500);
}

ligtbulb Što smo naučili?

  • Tranzistori su temeljne elektroničke komponente koje mogu pojačavati mali signal ili djelovati kao brze elektroničke sklopke – s malom strujom upravljaju velikim tokovima u krugu.​
  • U Arduino projektima tranzistori omogućuju upravljanje snažnijim potrošačima (motori, releji, LED trake) bez da se izlazni pin preoptereti ili ošteti, te štite mikrokontroler od prenapona i prevelikih struja.
  • Relej je elektromehanički prekidač kojim mala upravljačka struja preko tranzistora Arduina uključuje ili isključuje strujne krugove s mnogo većom snagom – poput žarulja, pumpe ili uređaja na mrežnom naponu.​
  • Korištenje flyback diode uz releje i zavojnice nužno je za zaštitu tranzistora i Arduina od opasnih prenapona koji nastaju pri naglom prekidanju struje kroz induktore.
  • Pravilnim korištenjem tranzistora i releja, možemo sigurno i pouzdano proširiti mogućnosti Arduino projekata na upravljanje raznim elektrotehničkim i automatskim uređajima, uz osnovna pravila za zaštitu sklopa.

Ove spoznaje čine temelj za daljnje napredne elektroničke radionice i kreativne projekte.

◀ 1.4. Poluvodičke diode2. Senzori, ulazi i izlazi ▶