o.O wtFAQ – We Tinker, Fix and Question
◀ 1.1. Otpor i djelilo napona1.3. Kapacitet i vremenska konstanta ▶

1.2. Arduino i mjerenje napona
Kako izmjeriti napon koristeći Arduino

O Arduinu

Arduino UNO
Arduino je elektronička prototipna platforma koja omogućuje jednostavno stvaranje različitih uređaja i projekata za upravljanje elektroničkim komponentama.
Sastoji se od hardverskog dijela (mikrokontrolera) i softverskog dijela Arduino IDE (Integrated Development Environment – programsko okruženje za rad sa Arduinom). Arduino mikrokontroler programira se u ovom posebnom razvojnom okruženju putem C++ jezika, što omogućava korisnicima svih uzrasta i razina znanja da kreiraju interaktivne projekte s lakoćom.

Arduino IDE je program koji se pokreće na računalu i služi za pisanje, uređivanje i prijenos programa (tzv. skica) na Arduino mikrokontroler putem USB veze. Uz pomoć IDE-a korisnici također mogu pratiti ispis podataka s pločice, među ostalim funkcijama i putem alata kao što su Serial Monitor i Serial Plotter za praćenje i vizualizaciju mjerenja.

Ova platforma je nastala kako bi spojila svijet računala i elektronike na pristupačan i jednostavan način, te je vrlo popularna među početnicima i edukatorima u području elektronike i programiranja.

Zanimljivost:
Više o Arduinu možeš pročitati na:
- Arduino – Wikipedia
- Šta je to Arduino? – StarmoTech

Zašto koristiti Arduino za mjerenje napona?

Arduino je popularna platforma koja omogućuje jednostavno prikupljanje podataka i njihovu vizualizaciju. Mjerenje napona je odličan praktičan primjer kako povezuju elektroniku i programiranje. Uz Arduino, podatke možemo prikazati kao tekst (Serial Monitor) ili graf (Serial Plotter).

Grafički prikaz na Serial Plotteru može efikasno zamijeniti puno skuplji instrument – osciloskop –, ako se držimo niskofrekventne uporabe.

Mjerenje napona do 5 V

Arduino Uno (i srodne verzije) mogu direktno mjeriti napone od 0 V do maksimalno 5 V na analognim pinovima. Ove vrijednosti pretvaraju se u digitalne brojeve pomoću ugrađenog analogno-digitalnog pretvarača (ADC).

Osnovni princip:

  • Pin A0 spojimo na izvor napona koji mjerimo.
  • kôdom pročitamo digitalnu vrijednost (0 – 1023).
  • Izračunamo napon:
\[ U = \frac{vrijednost \times 5.0}{1023} \]

Primjer kôa za Serial Monitor:

// C++
void setup()
{
  Serial.begin(115200);
}

void loop()
{
  double val = analogRead(A0);
  Serial.println(val * 5.0 / 1023);
  delay(100);
}
Upozorenje:
Ako se dovede više od 5 V na analogni ulaz, moguća je trajna šteta na Arduinu!

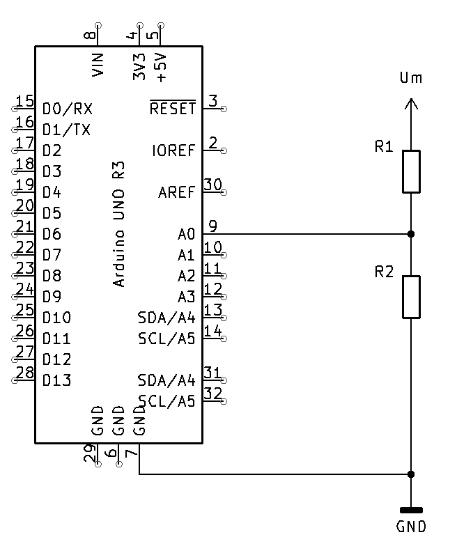
Proširenje mjernog opsega: Djelilo napona

Ako želimo mjeriti napone veće od 5 V (npr. baterije od 9 V, 12 V, 24 V…), potrebno je koristiti djelilo napona – jednostavnu kombinaciju dvaju otpornika u seriju:

Arduino djelilo napona

Um je ulazni napon (koji želimo izmjeriti).

\[ U_{A0} = U_m \times \frac{R2}{R1 + R2} \]

Odaberi otpornike tako da za maksimalni napon kojeg želiš mjeriti na A0 nikad ne bude iznad 5V.

Praktični primjer:
Želiš mjeriti do Um = 12 V, R1 = 47 kΩ, R2=33 kΩ:
\[ U_{A0,max} = 12 V \times \frac{33}{47+33} = 12V \times \frac{33}{80} = 4.95 V \]
Maksimalni napon na pinu A0 je 4.95 V, što je sigurno za Arduino.

kôd za pretvorbu izmjerene vrijednosti u stvarni napon:

// C++
double R1 = 47000;
double R2 = 33000;

void setup()
{
  Serial.begin(115200);
}

void loop()
{
  double val = analogRead(A0);
  double UA0 = val * 5.0 / 1023;
  double Um = UA0 * (R1 + R2) / R2;
  Serial.println(Um);
  delay(100);
}

Prikazivanje rezultata: Serial Monitor vs Serial Plotter

Serial Monitor prikazuje podatke kao tekst – svaka vrijednost u novom redu.
Serial Plotter iz Arduino IDE-a prikazuje podatke u grafičkom ‐ korisno za vizualizaciju promjena napona kroz vrijeme.

  • Da bi koristio Serial Plotter, potrebno je:
    • U kôdu kontinuirano slati podatke koristeći Serial.println().
    • U Arduino IDE-u odabrati Tools / Serial Plotter.
  • Za više varijabli (npr. kod mjerenja dvaju napona), vrijednosti se odvajaju razmakom:
Serial.print(val1);
Serial.print(" ");
Serial.println(val2);

Ako je val1 = 4.17 i val2 = 3.22, ispis će izgledati ovako:
4.17 3.22

Primjena:
Npr. spoji potenciometar na A0, pa prati promjenu napona rotiranjem potenciometra.

ligtbulb Što smo naučili?

  • Arduino je praktičan alat za osnovno mjerenje napona i edukaciju.
  • Za više od 5V, obavezno koristiti djelilo napona.
  • Prilikom spoja nikada ne dovodite veće napone direktno na analogni pin.
  • Preciznost ovisi o točnosti otpornika, referentnom naponu i kvaliteti spojeva.

Za napredniju upotrebu, dodatno istražite preciznije metode mjerenja i zaštite pinova na Arduinu.

◀ 1.1. Otpor i djelilo napona1.3. Kapacitet i vremenska konstanta ▶